QX104339 | 2906009400 | 捷豹 | 阿特拉斯 | 康普艾Compair | 2205431902+
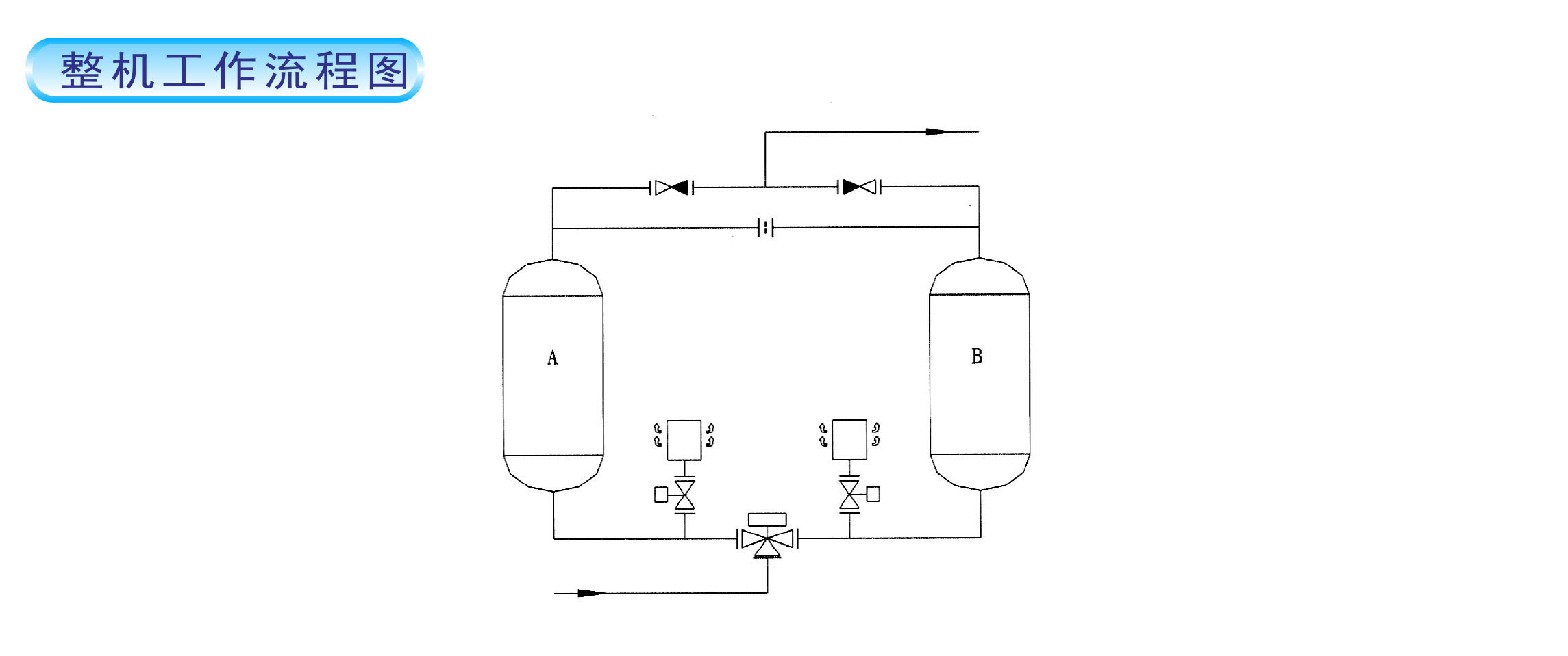
优质的切换阀门,稳定可靠,保证工作流程的完整性,延长元器件寿命 高吸湿性活性氧化铝,输出露点低、粉尘少、使用寿命长 可编程微电脑控制器,吸附、再生工作时间等系数可调,以达到满意的露点值 再生用气分配均匀,高效节能
地址:江苏省连云港灌云县城北科技园c区3栋西边1-2层
手机:13482467901
微信:


服务说明:1.由麦格压缩机发货,并提供售后服务。2.因库存实时变化,请购买时确认库存数量。具体发货时间以实际发货为准!
部分产品购买需满足最低起订量,详情请查看产品页面或联系我们的客户支持团队获取更多信息。
麦格压缩机(江苏)有限公司提供压缩机相关零部件,提供OEM服务,支持定制化需求。
| 无热吸附式干燥机规格参数 | ||||||
| 产品型号 | 公称容积流量 (m³/min) | 电源 (V/Ph/Hz) | 额定功率 (kW) | 空气接口 (mm) | 重量 (kg) | 外形尺寸 (mm) |
MG-10FX | 1.5 | 220/1/50 | 0.02 | G3/4" | 86 | 750*450*1400 |
| MG-20FX | 2.5 | 220/1/50 | 0.02 | G3/4" | 105 | 750*450*1730 |
| MG-38FX | 3.8 | 220/1/50 | 0.02 | G1" | 170 | 980*550*1460 |
| MG-68FX | 6.8 | 220/1/50 | 0.02 | G1.5" | 252 | 980*550*1820 |
| MG-105FX | 10.5 | 220/1/50 | 0.02 | G2" | 351 | 1080*600*1950 |
| MG-120FX | 13 | 220/1/50 | 0.02 | G2" | 351 | 1080*600*1950 |
| MG-160FX | 15 | 220/1/50 | 0.02 | G2" | 425 | 1200*650*2000 |
| MG-180FX | 18 | 220/1/50 | 0.02 | DN65 | 497 | 1250*650*2088 |
| MG-220FX | 23 | 220/1/50 | 0.02 | DN65 | 615 | 1350*680*2088 |
| MG-270FX | 28 | 220/1/50 | 0.02 | DN80 | 690 | 1400*700*2435 |
| MG-320FX | 33 | 220/1/50 | 0.02 | DN80 | 890 | 1490*800*2468 |
| MG-450FX | 45 | 220/1/50 | 0.02 | DN100 | 1100 | 1660*850*2547 |
| MG-550FX | 55 | 220/1/50 | 0.02 | DN100 | 1350 | 1760*900*2587 |
| MG-650FX | 65 | 220/1/50 | 0.02 | DN125 | 1800 | 1900*1050*2680 |
| MG-850FX | 85 | 220/1/50 | 0.02 | DN125 | 2500 | 2000*1150*2750 |
| MG-1100FX | 110 | 220/1/50 | 0.02 | DN150 | 3300 | 2200*1350*2850 |
| MG-1300FX | 130 | 220/1/50 | 0.02 | DN150 | 4000 | 2500*1400*2980 |
| MG-1600FX | 160 | 220/1/50 | 0.02 | DN200 | 4900 | 2900*1600*3200 |
| MG-2000FX | 200 | 220/1/50 | 0.02 | DN200 | 5800 | 3400*1900*3400 |
| MG-2500FX | 250 | 220/1/50 | 0.02 | DN200 | 详细资料备索 | |
| MG-3000FX | 300 | 220/1/50 | 0.02 | DN250 | ||
| MG-3500FX | 350 | 220/1/50 | 0.02 | DN250 | ||
| MG-4000FX | 400 | 220/1/50 | 0.02 | DN300 | ||
| MG-5000FX | 500 | 220/1/50 | 0.02 | DN350 | ||
苏公网安备32072302010208号建议您使用Edge、Chrome 80+、FireFox 86+、360极速模式等主流浏览器浏览本网站 本网站由
提供CDN加速/云存储服务